02 Feb,2026
كيف يمكن مقارنة المحركات الهيدروليكية الصناعية بالمحركات الهوائية في الأداء؟


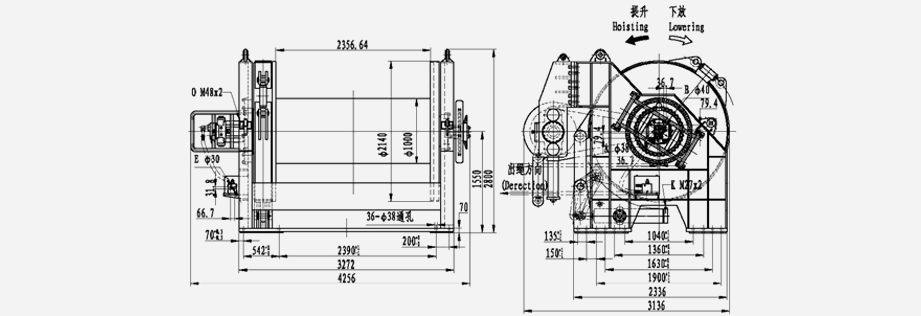
| تصنيف كامل على الطبقة الأولى (كيلو نيوتن) | 1000 |
| السرعة المقدرة على الطبقة الأولى (م/دقيقة) | 7 |
| إجمالي الإزاحة (مل/ص) | 131500 |
| ضغط النظام (ميغاباسكال) | 35 |
| فرق. الضغط (ميغاباسكال) | 32 |
| قطر الحبل (مم) | 52 |
| عدد طبقات الحبال | 9 |
| سعة الطبل (م) | 1800 |
| تدفق المضخة (لتر / دقيقة) | 300 |
| نوع المحرك | HL-A4FM500-01 |
| نوع علبة التروس | IGC550W3-B263 (ط=263) |
المنتجات التي تقدمها الشركات الشهيرة تحظى بثقة كبيرة من قبل المستخدمين.
سنوات من الخبرة في الصناعة
منطقة المصنع
موظفين ماهرين
خط إنتاج متقدم
INI Hydraulic Co., Ltd. لدينا أكثر من 20 عاما من الخبرة في تصميم وتصنيع الرافعات الهيدروليكية ، المحركات الهيدروليكية ، وعلبة التروس الكوكبية . نحن واحدة من الموردين المهنية من قطع غيار ماكينات البناء في آسيا . التخصيص من أجل تحسين تصميم المعدات الذكية للعملاء هو وسيلة للحفاظ على حيوية في السوق . على مدى السنوات ال 26 الماضية ، مدفوعا بالتزام الابتكار المستمر لتلبية احتياجات العملاء ، وضعنا مجموعة واسعة من خط الانتاج على أساس البحث والتطوير المستقل والتكنولوجيا . مجموعة واسعة من المنتجات ، كل نوع من المنتجات ذات الصلة ، بما في ذلك الرافعات الهيدروليكية والكهربائية ، وعلبة التروس الكوكبية ، محرك الأقراص الدوارة ، محرك الأقراص ، المحركات الهيدروليكية ، ومضخة هيدروليكية .
لقد تم إثبات موثوقية منتجاتنا بقوة في تطبيقات متنوعة، بما في ذلك على سبيل المثال لا الحصر، الآلات الصناعية، وآلات البناء، وآلات السفن والسطح، والمعدات البحرية، وآلات التعدين والآلات المعدنية.
علاوة على ذلك، فقد تمت الموافقة على جودة منتجاتنا من قبل العديد من هيئات الشهادات المشهورة عالميًا. تشمل الشهادات التي حصلت عليها منتجاتنا شهادة فحص النوع EC، وBV MODE، وشهادة DNV GL، وشهادة المطابقة الأوروبية، وشهادة الموافقة على النوع للمنتجات البحرية، وضمان الجودة من سجل لويدز. حتى الآن، إلى جانب الصين، سوقنا المحلية، قمنا بتصدير منتجاتنا على نطاق واسع إلى الولايات المتحدة وألمانيا وهولندا وأستراليا وروسيا وتركيا وسنغافورة واليابان وكوريا الجنوبية وماليزيا وفيتنام والهند وإيران. تغطي خدماتنا اللوجستية وخدمات ما بعد البيع العالم كله بسرعة وبشكل موثوق من أجل المصالح العميقة لعملائنا.
02 Feb,2026
26 Jan,2026
19 Jan,2026
12 Jan,2026
TOP