02 Feb,2026
كيف يمكن مقارنة المحركات الهيدروليكية الصناعية بالمحركات الهوائية في الأداء؟


المحركات ذات الضغط العالي، والقيادة عالية السرعة، وصمامات التوازن،
وهي مصممة لظروف التحميل العالي
إنه الحل الأمثل للحفار الهيدروليكي بقدرة 6 إلى 50 طن
تصميم فعال وصغير الحجم
تعمل تقنية الضغط العالي على زيادة كفاءة النظام الهيدروليكي
محرك ذو سرعتين مع صمام توازن متكامل وصمام تخفيف الضغط
يدمج المحرك وظيفة الكبح الهيدروليكي
يمكن تغيير السرعة تلقائيا عند الطلب
درجة حرارة منخفضة، وكفاءة عالية
نطاق درجة حرارة التشغيل: -20 درجة مئوية ~ 80 درجة مئوية
تصميم مدمج
تعمل المحركات ذات الضغط العالي منخفضة الإزاحة على إطالة عمر خدمة المكونات المهمة وتعزيز الكل
متانة النظام
بطانة نحاسية بالكامل لدوران المكبس الهيدروليكي
صينية توزيع معدنية مزدوجة (نحاس/فولاذ).
تعمل تركيبة الدوران مع نظام زنبركي خاص على تحسين عمر المحرك
نظام الختم الثلاثي للمخفض: ختم المتاهة الميكانيكي، ختم الزيت من النوع V، ختم الزيت الرئيسي.
يمكن استبدال ختم الزيت الرئيسي دون تفكيك المخفض
محامل المخفض هي مكونات مستقلة، سهلة التركيب، ويمكن ضبطها مسبقًا بالكامل للأحمال السلبية
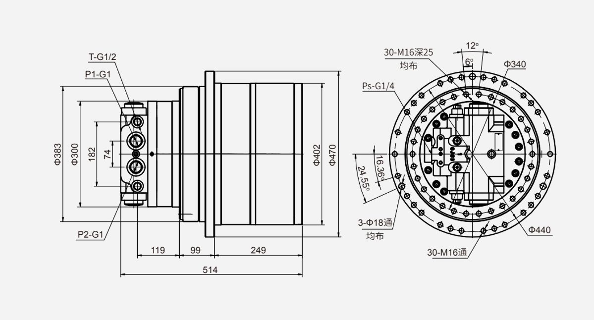
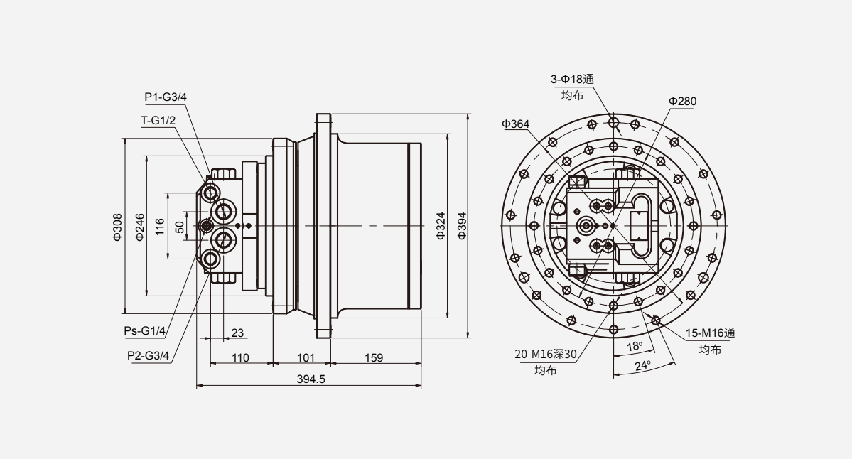
ITM01:
| مشروط | (لتر/دقيقة) | (مل / ص) | (ميغاباسكال) | (ميغاباسكال) | نسبة التروس | (نيوتن م) | (ص / دقيقة) | تناوب | (درجة مئوية) | (مم2/ثانية) |
| ITM01 | 20 | 6.31/12.56 | 25 | 2-7 | 36.96 | 1845 | 85.8/43 | ثنائي الاتجاه | -20- 80 | 16-25 |
| مشروط | (لتر/دقيقة) | (مل / ص) | (ميغاباسكال) | (ميغاباسكال) | نسبة التروس | (نيوتن م) | (ص / دقيقة) | تناوب | (درجة مئوية) | (مم2/ثانية) |
| ITM03 | 40 | 12/18 | 21 | 2-7 | 45.2 | 2719 | 55/37 | ثنائي الاتجاه | -20- 80 | 16-25 |
ITM04:
| مشروط | (لتر/دقيقة) | (مل / ص) محرك | (ميغاباسكال) | (ميغاباسكال) | نسبة التروس | (نيوتن م) | (ص / دقيقة) | تناوب | (درجة مئوية) زيت | (مم2/ثانية) |
| ITM04 | 40 | 14.3/23.6 | 21 | 2-7 | 52.7 | 4200 | 55/33 | ثنائي الاتجاه | -20- 80 | 16-25 |
| مشروط | (لتر/دقيقة) تدفق الإدخال | (مل / ص) | (ميغاباسكال) | (ميغاباسكال) | نسبة التروس | (نيوتن م) | (ص / دقيقة) | تناوب | (درجة مئوية) | (مم2/ثانية) |
| ITM06 | 50 | 19/34 | 24.5 | 2-7 | 47.53 | 6300 | 55/30 | ثنائي الاتجاه | -20- 80 | 16-25 |
| مشروط | (لتر/دقيقة) تدفق الإدخال | (مل / ص) | (ميغاباسكال) ضغط العمل | (ميغاباسكال) | نسبة التروس | (نيوتن م) | (ص / دقيقة) | تناوب | (درجة مئوية) النفط | (مم2/ثانية) |
| ITM07 | 50 | 22/44 | 27.5 | 2-7 | 53.706 | 10500 | 50/25 | ثنائي الاتجاه | -20- 80 | 16-25 |
ITM09:
| مشروط | (لتر/دقيقة) | (مل / ص) | (ميغاباسكال) | (ميغاباسكال) | نسبة التروس | (نيوتن م) | (ص / دقيقة) | تناوب | (درجة مئوية) | (مم2/ثانية) |
| ITM09 | 80 | 34/53 | 30 | 2-7 | 53.7 | 11500 | 51/33 | ثنائي الاتجاه | -20- 80 | 16-25 |
| مشروط | (لتر/دقيقة) | (مل / ص) | (ميغاباسكال) | (ميغاباسكال) | نسبة التروس | (نيوتن م) | (ص / دقيقة) | تناوب | (درجة مئوية) | (مم2/ثانية) |
| ITM10 | 80 | 38/65 | 25 | 2-7 | 53.7 | 13000 | 51/33 | ثنائي الاتجاه | -20- 80 | 16-25 |
| مشروط | (لتر/دقيقة) | (مل / ص) | (ميغاباسكال) | (ميغاباسكال) | نسبة التروس | (نيوتن م) | (ص / دقيقة) | تناوب | (درجة مئوية) | (مم2/ثانية) |
| ITM18 | 130 | 43/67 | 30 | 2-7 | 53 | 16900 | 57/37 | ثنائي الاتجاه | -20- 80 | 16-25 |
| مشروط | (لتر/دقيقة) | (مل / ص) | (ميغاباسكال) | (ميغاباسكال) | نسبة التروس | (نيوتن م) | (ص / دقيقة) | تناوب | (درجة مئوية) | (مم2/ثانية) | ملائم نماذج |
| ITM22 | 130 | 48/81 | 34.3 | 2-7 | 53.7 | 23700 | 50/30 | ثنائي الاتجاه | -20- 80 | 16-25 | 13-17 |
| مشروط | (لتر/دقيقة) | (مل / ص) | (ميغاباسكال) | (ميغاباسكال) | نسبة التروس | (نيوتن م) | (ص / دقيقة) نظري | تناوب | (درجة مئوية) | (مم2/ثانية) |
| ITM40 | 230 | 99/147 | 34.3 | 2-7 | 50.5 | 40546 | 50/32 | ثنائي الاتجاه | -20- 80 | 16-25 |
| مشروط | (لتر/دقيقة) | (مل / ص) | (ميغاباسكال) | (ميغاباسكال) | نسبة التروس | (نيوتن م) | (ص / دقيقة) | تناوب | (درجة مئوية) | (مم2/ثانية) |
| اي تي ام60 | 330 | 195/120 | 34.3 | 2-7 | 63.84 | 67000 | 40/26 | ثنائي الاتجاه | -20- 80 | 16-25 |
المنتجات التي تقدمها الشركات الشهيرة تحظى بثقة كبيرة من قبل المستخدمين.
سنوات من الخبرة في الصناعة
منطقة المصنع
موظفين ماهرين
خط إنتاج متقدم
INI Hydraulic Co., Ltd. لدينا أكثر من 20 عاما من الخبرة في تصميم وتصنيع الرافعات الهيدروليكية ، المحركات الهيدروليكية ، وعلبة التروس الكوكبية . نحن واحدة من الموردين المهنية من قطع غيار ماكينات البناء في آسيا . التخصيص من أجل تحسين تصميم المعدات الذكية للعملاء هو وسيلة للحفاظ على حيوية في السوق . على مدى السنوات ال 26 الماضية ، مدفوعا بالتزام الابتكار المستمر لتلبية احتياجات العملاء ، وضعنا مجموعة واسعة من خط الانتاج على أساس البحث والتطوير المستقل والتكنولوجيا . مجموعة واسعة من المنتجات ، كل نوع من المنتجات ذات الصلة ، بما في ذلك الرافعات الهيدروليكية والكهربائية ، وعلبة التروس الكوكبية ، محرك الأقراص الدوارة ، محرك الأقراص ، المحركات الهيدروليكية ، ومضخة هيدروليكية .
لقد تم إثبات موثوقية منتجاتنا بقوة في تطبيقات متنوعة، بما في ذلك على سبيل المثال لا الحصر، الآلات الصناعية، وآلات البناء، وآلات السفن والسطح، والمعدات البحرية، وآلات التعدين والآلات المعدنية.
علاوة على ذلك، فقد تمت الموافقة على جودة منتجاتنا من قبل العديد من هيئات الشهادات المشهورة عالميًا. تشمل الشهادات التي حصلت عليها منتجاتنا شهادة فحص النوع EC، وBV MODE، وشهادة DNV GL، وشهادة المطابقة الأوروبية، وشهادة الموافقة على النوع للمنتجات البحرية، وضمان الجودة من سجل لويدز. حتى الآن، إلى جانب الصين، سوقنا المحلية، قمنا بتصدير منتجاتنا على نطاق واسع إلى الولايات المتحدة وألمانيا وهولندا وأستراليا وروسيا وتركيا وسنغافورة واليابان وكوريا الجنوبية وماليزيا وفيتنام والهند وإيران. تغطي خدماتنا اللوجستية وخدمات ما بعد البيع العالم كله بسرعة وبشكل موثوق من أجل المصالح العميقة لعملائنا.
02 Feb,2026
26 Jan,2026
19 Jan,2026
12 Jan,2026
TOP